Operating Manuals & Related Materials

On this page are scans of some operating manuals and other calculation aids of the Bell Punch Company.  If you have any more from Bell Punch and Anita I would be delighted to receive a copy or a scan for display here - please get in touch with me.

 

Operating Manuals

Mechanical Calculators

Sumlock "Comptometer" - Front, p1, p2, p3, p4, p5, p6, p7, p8, p9, p10, p11, p12.

 

Desktop Electronic Calculators

ANITA Mk 8 (Mark VII) (pdf format).

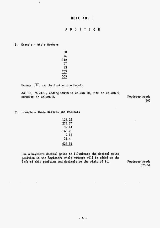
ANITA Mk 9 (Mark IX) - Front, diagram, pi, pii, index, p1, p2, p3, p4, p5, p6, p7, p8, p9, p10, p11, p12, p13, p14, p15, p16, p17, p18, p19, p20, p21, p22, p23, p24, p25, p26, p27, p28, p29, p30.

ANITA Mk 11 - Front, index, p3, p4, p5, p6 is blank, p7, p8, p9, p10, p11, p12, p13, p14, p15, p16, p17 is blank, p18, p19, p20, p21, p22, end paper, rear.

ANITA 1000 LSI - Front, p3, p4-5, p6-7, rear.

ANITA 1011 LSI & 1011B LSI (pdf format)

ANITA 1000B & 1011B charging instructions - p1.

ANITA 1200P RANGE Operating Instructions (includes 1211P, 1212P, 1233P, pdf format)

 

Roland Huisman has posted a valuable selection of ANITA instruction manuals in pdf format at http://technischmuseum.nl/documentation/documentation%20files/Anita%20PDF/.  Manuals included are those for the ANITA Mk 8 (in German), Mk 9, Mk 10, Mk 12, 1011, 1011 LSI, and 1011P.

 

Hand-held Electronic Calculators

ANITA 811 - Front, p1, p2, p3, p4, p5, p6, p7, p8, p9, p10, p11, p12, p13, p14, p15, rear.

ANITA 831 - Front, p1, p2, p3, p4, p5, p6, p7, p8, p9, p10, p11, p12, p13, p14, p15, p16, rear.

ANITA 841 - Front, introduction, index, p2, p3, p4, p5, p6-7, p8-9, p10-11, p12-13, p14-15, p16-17, p18-19, p20-21, p22-23, p24-25, p26-27, p28-29, p30-31, p32-33, p34-35, p36-37, p38-39, p40-41, p42-43, p44-45, p46-47, p48-49, p50-51, p52-53, p54-55, p56-57, p58-59, p60, p61, p62, rear.

 

Related Materials

Mathematical charts
These charts provide conversion and other constants which eased calculations with mechanical and simple electronic calculators. Several of the premier calculator companies produced such charts, and Sumlock supplied a selection bound together in a book. Below is a selection:

  • Front cover
  • Index of the charts
  • Chart 1 - Pence and Farthings as decimals of a Shilling or a Pound
  • Chart 2 - Shillings and Pence as decimals of a £
  • Chart 3 - Pence, Eighths and Sixteenths as decimals of a Shilling
  • Chart 4 - Pence, Eighths and Sixteenths as decimals of a £
  • Chart 5 - Qrs. and Lb. as decimals of a Cwt.
  • Chart 6 - Qrs. and Lb. as decimals of a Ton
  • Chart 7 - Feet, Inches and Eighths of an Inch as decimals of a Yard
  • Charts 8 & 9 - Decimals of a Gross & Minutes as decimals of an Hour
  • Chart 10 - Common Fractions and their Decimal Equivalents
  • Chart 11 - Metric Conversion Table
  • Chart 12 - Dates as parts and decimals of a year - 365 Day Basis
  • Chart 13 - Days as decimals of a year - 360 Day Basis
  • Chart 14 - Area and Volume Formulae
  • Chart 25 - Even Square Root Chart.
  • Chart 25 - Odd Square Root Chart.
  • Chart 26 - Cube Root Divisors.
  • Chart 26 - Cube Root Divisors (continued).

Certificate
A certificate awarded for achieving the Required Standard of Efficiency as an Anita operator.

Grateful thanks to Lorraine Holmes for providing the copies of Charts 1 to 14 and the Certificate, and to Mary Crompton for providing the copies of Charts 25 and 26.

 

The Bell Punch Company & the Development of the Anita Calculator
< Previous page    Next page >


Click here to go to the Vintage Calculators Web Museum

Text & photographs copyright © 2002 - 2023 Nigel Tout, except where noted otherwise.